时钟系统
我们根据数据手册,可以找到这款芯片的时钟树,时钟树是了解整个芯片时钟系统的核心
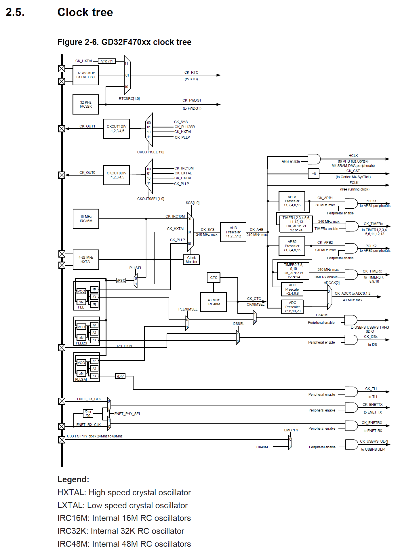
时钟树

一、时钟源(根基)
外部晶振:
HXTAL(高速):接外部高频晶振(如常见 8MHz、24MHz ),为系统提供精准、稳定高频时钟,是高性能运算、高速外设(以太网、高速 ADC )的优质时钟源,经 PLL 倍频可提升到内核所需高频率 。
LXTAL(低速):接外部低频晶振(一般 32.768KHz ),专为 RTC(实时时钟)、低功耗应用设计,给系统提供长时稳定低速时钟,保障时间记录、低功耗模式下基础时序 。
内部 RC 振荡器:
IRC16M:内部 16MHz RC 振荡,无需外接元件,启动快、成本低,系统启动初期或对精度要求不高时(如初始化阶段、简单 IO 控制 ),可快速提供时钟,作为过渡或备用 。
IRC32K:内部 32KHz RC 振荡,类似 LXTAL 功能,给 RTC、低功耗外设供时钟,可替代外部低速晶振,简化硬件设计,不过精度略逊于外部晶振 。
IRC48M:内部 48MHz RC 振荡,为 USB 等对时钟精度、频率有特定要求的外设服务(USB 需 48MHz 精准时钟 ),也可作为系统辅助高速时钟,灵活补充高频需求 。
二、时钟处理核心(PLL 与分频器)
PLL(锁相环):
接收 HXTAL 或 IRC 等输入时钟,通过倍频(比如把 8MHz 倍到 168MHz、240MHz ),为内核、高速总线(AHB )、高性能外设提供高频时钟,是提升系统运算速度、支撑高速数据处理的关键,让芯片发挥最大性能 。
可配置不同倍频系数,适配内核(如 240MHz )、外设(如以太网需特定频率 )的多样化需求,平衡性能与功耗(高倍频对应高性能、高功耗,低倍频反之 )。
分频器(Division):
对 PLL 输出、原始时钟源分频,给不同总线(APB1、APB2 )、外设分配合适频率。比如 APB1 总线时钟通常低于 AHB,通过分频降低频率,既满足外设时序要求(部分外设不支持高频 ),又降低总线、外设功耗,像定时器、串口等外设,用分频后的 APB 时钟就能稳定工作 。
灵活调整分频系数,适配不同外设特性,比如高速 SPI 用高频,低速 UART 用低频,让每个外设都在 “舒适区” 运行,保障兼容性、稳定性 。
三、时钟分配(到各模块)
内核与总线:
AHB 总线:接收 PLL 高倍频时钟(或原始高频时钟 ),最高可达 240MHz,给 CPU 内核、高速存储(TCM_SRAM )、高速外设(DMA、以太网 )供时钟,保障系统核心运算、高速数据传输效率,是系统高性能运行的 “大动脉” 。
APB 总线(APB1、APB2 ):经分频器从 AHB 取时钟,APB2 频率通常高于 APB1 ,分别给不同外设群供时钟。APB2 连高速外设(ADC、SPI 高速模式 ),APB1 接低速 - 中速外设(定时器、普通 UART ),通过分频差异化分配,让外设适配自身时序,同时降低整体功耗 。
外设专属时钟:
部分外设(USB、RTC )有独立时钟路径。USB 必须用 48MHz 精准时钟(来自 IRC48M 或 PLL 处理后的 HXTAL ),保障 USB 通信协议严格时序;RTC 用 LXTAL 或 IRC32K 供时钟,维持实时时间计数,即使系统休眠,也靠这些低速时钟保持运行,实现低功耗长时计时 。
定时器、串口等通用外设,从 APB 总线取时钟,经自身预分频、倍频,生成精准定时、通信时序,比如定时器通过内部分频 / 倍频,实现微秒级定时,串口依总线时钟配置波特率,保障数据收发正确 。
使用时钟
打开我们的工程模板找到并打开startup_gd32f450_470.s启动文件,在190行有SystemInit,我们在system_gd32f4xx.c文件内找到这个函数,在这个函数下面,找到system_clock_config()

继续跳转到system_clock_config函数所在的位置,我们可以下面这样一段的代码,里面通过预先定义的宏编译,选择真正的系统时钟配置函数system_clock_240m_25m_hxtal()

跳转到宏定义__SYSTEM_CLOCK_240M_PLL_25M_HXTAL地方,我们可以看到下图内容

- 这些宏定义用于选择系统主频和时钟源,比如内部16MHz、外部晶振、PLL倍频等。
- 你只能取消一行的注释,表示你要用哪种主频和时钟源,其它全部注释。
- 例如:
#define __SYSTEM_CLOCK_240M_PLL_25M_HXTAL (uint32_t)(240000000)
表示用25MHz外部晶振,经PLL倍频后,系统主频为240MHz。
RCU标准固件库介绍
根据固件库文档,我们得知RCU的函数有如下



这里我们介绍几个比较常用的函数
rcu_periph_clock_enable
函数原型:void rcu_periph_clock_enable(rcu_periph_enum periph);
功能:使能外设时钟
输入参数:rcu_periph_enum periph枚举
输出:无
rcu_periph_enum periph枚举:
1 | |
rcu_periph_clock_disable
功能:禁用外设时钟
函数原型:void rcu_periph_clock_disable(rcu_periph_enum periph);
参数:periph - 要禁用的外设时钟枚举值
返回值:无
示例:
1 | |
时钟固件库函数
GD32F4xx固件库提供了丰富的RCU(Reset and Clock Unit)函数,用于配置和管理时钟系统。以下是主要时钟函数的详细介绍,基于GD32F4xx_固件库使用指南_Rev1.2。
1. 系统时钟配置函数
rcu_system_clock_source_config
函数原型:
1 | |
功能描述:
配置系统时钟源(SYSCLK)。
参数:
ck_sys: 系统时钟源选择(RCU_CKSYSSRC_IRC16M, RCU_CKSYSSRC_HXTAL, RCU_CKSYSSRC_PLL)。
返回值: 无
示例:
1 | |
rcu_system_clock_source_get
函数原型:
1 | |
功能描述:
获取当前系统时钟源。
参数: 无
返回值: 当前系统时钟源(RCU_SCSS_IRC16M, RCU_SCSS_HXTAL, RCU_SCSS_PLL)。
示例:
1 | |
2. PLL配置函数
rcu_pll_config
函数原型:
1 | |
功能描述:
配置PLL参数。
参数:
pll_src: PLL输入时钟源(RCU_PLLSRC_IRC16M, RCU_PLLSRC_HXTAL)。pll_psc: PLL预分频器(1-63)。pll_n: PLL倍频器(50-432)。pll_p: PLL主分频器(2,4,6,8)。pll_range: PLL频率范围(RCU_PLLVCO_RANGE1, RCU_PLLVCO_RANGE2)。
返回值: SUCCESS或ERROR。
示例:
1 | |
rcu_pll_enable
函数原型:
1 | |
功能描述:
使能PLL。
参数: 无
返回值: 无
示例:
1 | |
rcu_pll_disable
函数原型:
1 | |
功能描述:
禁用PLL。
参数: 无
返回值: 无
示例:
1 | |
3. 时钟分频配置函数
rcu_ahb_clock_config
函数原型:
1 | |
功能描述:
配置AHB总线时钟分频。
参数:
ck_ahb: AHB分频系数(RCU_AHB_CKSYS_DIV1 ~ RCU_AHB_CKSYS_DIV512)。
返回值: 无
示例:
1 | |
rcu_apb1_clock_config
函数原型:
1 | |
功能描述:
配置APB1总线时钟分频。
参数:
ck_apb1: APB1分频系数(RCU_APB1_CKAHB_DIV1 ~ RCU_APB1_CKAHB_DIV16)。
返回值: 无
示例:
1 | |
rcu_apb2_clock_config
函数原型:
1 | |
功能描述:
配置APB2总线时钟分频。
参数:
ck_apb2: APB2分频系数(RCU_APB2_CKAHB_DIV1 ~ RCU_APB2_CKAHB_DIV16)。
返回值: 无
示例:
1 | |
4. 振荡器控制函数
rcu_osci_on
函数原型:
1 | |
功能描述:
开启指定的振荡器。
参数:
osci: 振荡器类型(RCU_HXTAL, RCU_LXTAL, RCU_IRC16M, RCU_IRC32K, RCU_IRC48M, RCU_PLL)。
返回值: SUCCESS或ERROR。
示例:
1 | |
rcu_osci_off
函数原型:
1 | |
功能描述:
关闭指定的振荡器。
参数:
osci: 振荡器类型。
返回值: 无
示例:
1 | |
rcu_osci_stab_wait
函数原型:
1 | |
功能描述:
等待指定的振荡器稳定。
参数:
osci: 振荡器类型。
返回值: 无
示例:
1 | |
5. 时钟频率获取函数
rcu_clock_freq_get
函数原型:
1 | |
功能描述:
获取指定时钟的频率。
参数:
clock: 时钟类型(CK_SYS, CK_AHB, CK_APB1, CK_APB2)。
返回值: 时钟频率(Hz)。
示例:
1 | |
6. 外设时钟控制函数
rcu_periph_clock_enable
函数原型:
1 | |
功能描述:
使能外设时钟。
参数:
periph: 外设时钟枚举值。
返回值: 无
示例:
1 | |
rcu_periph_clock_disable
函数原型:
1 | |
功能描述:
禁用外设时钟。
参数:
periph: 外设时钟枚举值。
返回值: 无
示例:
1 | |
7. 其他函数
rcu_deinit
函数原型:
1 | |
功能描述:
将RCU重置为默认状态。
参数: 无
返回值: 无
示例:
1 | |
rcu_step_mode_wakeup_disable
函数原型:
1 | |
功能描述:
禁用步进模式唤醒。
参数: 无
返回值: 无
示例:
1 | |
8. 相关宏定义和枚举
- 系统时钟源: RCU_CKSYSSRC_IRC16M, RCU_CKSYSSRC_HXTAL, RCU_CKSYSSRC_PLL
- PLL源: RCU_PLLSRC_IRC16M, RCU_PLLSRC_HXTAL
- AHB分频: RCU_AHB_CKSYS_DIV1 ~ RCU_AHB_CKSYS_DIV512
- APB分频: RCU_APB1_CKAHB_DIV1 ~ RCU_APB1_CKAHB_DIV16
- 振荡器类型: RCU_HXTAL, RCU_LXTAL, RCU_IRC16M, RCU_IRC32K, RCU_IRC48M, RCU_PLL
- 时钟频率类型: CK_SYS, CK_AHB, CK_APB1, CK_APB2
在使用这些函数时,需要按照时钟配置顺序:先开启振荡器,等待稳定,然后配置PLL,使能PLL,配置系统时钟源,最后配置各总线分频。所有函数都在gd32f4xx_rcu.h头文件中声明。